Sam's Laser FAQ, Copyright © 1994-2022, Samuel M. Goldwasser, All Rights Reserved.
I may be contacted via the
Sci.Electronics.Repair FAQ Email Links Page.

  • Back to Sam's Laser FAQ Table of Contents.

    Ar/Kr Ion Laser Power Supply Design

    Sub-Table of Contents



  • Back to Ar/Kr Ion Laser Power Supply Design Sub-Table of Contents.
  • Forward to Complete Ar/Kr Ion Laser Power Supply Schematics.

    Power Supply Circuits Intro, AC Line Front-Ends

    Ar/Kr Ion Laser Power Supply Circuits

    The following sections describe each of the major subsystems of typical power supplies in more detail but without specific reference to any particular commercial design (that is left for the Chapter: Complete Ar/Kr Ion Laser Power Supply Schematics.

    Nearly all of these designs can be used as the basic blocks for a power supply you can build. Few special parts are required and for the most part, nothing is terribly critical.

    Notation used in Ar/Kr Ion Laser Power Supply Diagrams and Schematics

    Throughout this chapter and the next, a quasi-standard method (mine!) is used to identify and label some of the connections between and among parts of the power supply, Ar/Kr ion tube, and the external world. Here is a summary of the meanings of the notations used in the sample circuit diagrams and complete schematics: Note that in this document and the associated laser power supply schematics, voltages between 110 and 120 VAC Hot to Neutral (220 to 240 VAC between Hots on opposite sides of the line) may be shown for power in the USA and other parts of North America. Likewise, 220 to 240 VAC may be shown for power in Europe and elsewhere. Where some other voltage is used (such as 100 VAC in parts of Japan), it will be ideentified explicitly.

    Single-Phase 115 VAC Front-End

    Note: This and all other circuit diagrams in this chapter have their parts either numbered independently to simplify discussion or, where their function is obvious, not labeled at all. Those in the chapter: Complete Ar/Kr Ion Laser Power Supply Schematics have consistent designations for components in the entire system (both commercial and "Sam's" designs).

    The design described below can serve as the basic front-end to a linear or switchmode regulator, inverter, or to a brute force power supply using only an additional ballast resistor (for testing only, right?). It is a simple AC line-connected AC to DC power supply.

    Note: Essential safety and protection components not shown. See the section: Requred Safety/Protection Features.

    
                         PH-H To Filament Transformer
                             o
                     Preheat |
                     S2      |    D5         R5
                   +---o/ o--+----|>|-------/\/\---+
                   |                               |
                   |     OP-H To PS Fan/Igniter    |
           Main    |         o                     |
           Power   | Operate |                     |
           S1      | S3      |    D1          R1   |        R2 (or L)
       H o---o/ o--+---o/ o--+-+--|>|-----+--/\/\--+-+-----+--/\/\--+-----+--o DC+
               :              ~|  D2      |+         |     |        |     |
               :               +--|<|--+  |        +_|_    /      +_|_    /
               :                  D3   |  |      C1 --- R3 \    C2 --- R4 \
               :               +--|>|--|--+        - |     /      - |     /
               :              ~|  D4   |-            |     |        |     |
       N o---o/ o--------------+--|<|--+-------------+-----+--------+-----+--o DC-
    
    
    Note: S1, S2, and S3 can be switches or relays. Logic controlled relays are highly desirable to enforce the sequencing requirements on the Ar/Kr ion tube power. For initial testing, manually operated switches may be used. WARNING: For these line connected designs with a bridge rectifier, NO part of the circuit can be tied to earth ground (as is possible with a HeNe supply) for safety. Therefore, troubleshooting must be done with extreme care especially if no isolation transformer is used. Connecting the ground lead of a properly grounded scope to any part of the circuit will result in smoke or worse! This applies not only to obvious component terminals but probably to the HOT (thermally and electrically) regulator heat sink as well! See the section: SAFETY When Dealing with Ar/Kr Ion Laser Power Supplies.

    To calculate the required values for R2, and C1 and C2, we can make the following assumptions:

    1. Maximum required Ar/Kr ion tube current is 10 A at 110 VDC. This should handle any typical air-cooled tube you are likely to encounter. However, figure 12 A maximum to allow some safety margin for the power supply.

    2. Output of rectifier is 146 V peak minimum assuming a (low) 105 VAC input. This comes from (105 x 1.414) - 2 V (for the bridge rectifier diode drops). Thus, the power supply should continue to function at low line voltage (or with your less than stellar house wiring)! Adjust appropriately if your line voltage is fairly constant and known. High line voltage conditions will result in more losses and will be harder on the regulator.

    3. Ripple will be about 1 V per A per 10,000 uF of total capacitance. This rule of thumb is based on a direct line-connected 60 Hz full wave/bridge rectified resulting in ripple at 120 Hz. This is worst case and the 'pi' configuration of the filter will reduce it still further - but we want to be conservative. (Of course, if you have access to three-phase, this capacitance can be reduced almost to zero - but that is another story!)

      Note: Where an isolation transformer of marginal capacity is used for testing, the peak capacitor recharge current will be limited and ripple will increase. Therefore, don't be surprised if the discharge winks out under these conditions. For this reason, an isolation transformer rated for at least 2X of the laser power supply's maximum power consumption should be used. Of course, such a transformer is HUGE!

    4. Depending on the type of regulator, optimization considerations differ. However, one common requirement is that the regulator still have enough headroom even at maximum current (worst ripple factor).

      • For a linear regulator, we would like to minimize the drop across its series pass-back to reduce the power dissipation in the transistors. The total power dissipation will be the same but let the cheap, robust power resistor (R2) do its fair share!

        Based on this, one approach is to try to equalize the worst case ripple and the drop across R2. This will result in reasonable values for C1 and C2 while still pushing much of the power dissipation to R2. With 35 V between peak and tube voltage (145 - 110) and subtracting out 5 V for headroom, this leaves 30 V to play with. Dividing this in half results in about 15 V of ripple, or from (3), above, about 4,000 uF each for C1 and C2. R2 is then 1.25 ohm, 200 W (!!!). Trading off the values of R2 and C1/C2 may be desirable depending on the specific needs.

      • Using an inductor instead of or in addition to R2 would require the use of a part capable of passing the entire tube current - greater than 12 A. However, it would run much cooler and reduce ripple more effectively. Such an inductor can be constructed on the core of a salvaged microwave oven transformer using several hundred turns of #14 wire. An inductance of 6 mH provides an impedance of about 2.5 ohms at 60 Hz. However, it is acting only on the AC component of the voltage on C1 so its effect will be to reduce ripple to a greater extent but not reduce the DC level as much as an equivalent pure resistance. This many turns of #14 wire will also have a enough resistance that it cannot be totally ignored, both in terms of its effect on the DC level and heat dissipation!

        However, using just an inductor without some other means of regulation may result in plasma instability or oscillation which may not be obvious without looking at the current waveform on an oscilloscope. This will damage the tube after a few hours of operation.

      • For a switchmode regulator, increasing R2 will reduce the voltage/power requirements of the chopper transistors at full load. However, this will negate some of the benefits of using a switchmode regulator since more power will be dissipated in R2. The maximum on-time/duty cycle of the PWM drive will need to be greater where the headroom is lower. And, the dynamic response of the regulator will be affected and additional factors may need to be considered to maintain control loop stability.

        With R2 = 0, somewhat smaller capacitors can be used as long as adequate current is available for the lowest points on the valleys of the input waveform. Assuming 10 V of headroom is enough, this allows 25 V of ripple resulting in C1 and C2 of 2,400 uF each.

    WARNING: These HUGE filter capacitors can be lethal! 8,000 uF at 150 V is about 90 W-s (90 J). Take extreme care when in operation and until you have confirmed that the caps are fully discharged!

    Single-Phase 230 VAC Front-End

    Where the Ar/Kr ion tube requires about 200 VDC, it makes sense to use s either single-phase 230 VAC front-end similar to the type described above or a three-phase front-end depending on power levels and availability.

    Although the component values will change, the single-phase design is similar to that described above for 115 VAC and the same design approach applies.

    However, a simple buck autotransformer may be desirable to reduce the input voltage somewhat to ease the dropping requirements of any series resistor 'heaters' and/or the current regulator pass-bank. A microwave oven high voltage transformer can be modified for this purpose by removing the HV winding and substituting a high current secondary putting out around 50 to 60 VRMS (assuming a 230 VAC input and a 200 VDC tube drop) which is placed in series anti-phase with the power supply input.

    Note: 230 VAC is available from most residential wiring by using opposite sides of the incoming power feeds. These come from a centertapped (utility pole) transformer. Electric dryers, hot water heaters, stoves, central airconditioning systems, and other high power appliances will already be wired in this manner. Of course, safety warnings increase exponentially at these higher voltages. There just isn't any room for error!

    Three-Phase 240/208 VAC Front-End

    For your really high power laser needs, here is a typical rectifier/filter for a 3 wire 240/208 VAC three-phase system.
    
                      D1             R1            L1 ::::
          H1  o---+---|>|---+-------/\/\----+-----+---^^^^----+-----+---o DC+
                  |   D2    |+              |     |           |     |
                  +---|<|---|--+            |     |           |     |
                      D3    |  |            |     /           |     /
          H2  o---+---|>|---+  |       C1 +_|_ R2 \      C2 +_|_ R3 \
                  |   D4    |  |           ---    /          ---    /
                  +---|<|---|--+          - |     \         - |     \
                      D5    |  |            |     |           |     |
          H3  o---+---|>|---+  |            |     |           |     |
                  |   D6       |-           |     |           |     |
                  +---|<|------+------------+-----+-----------+-----+---o DC-
    
    
    Going to three-phase makes sense for high power ion lasers requiring around 200 V across the tube if such power is available since for a given current and ripple requirement, filter capacitor size (uF rating) is greatly reduced and loading on the building's power distribution system is more balanced. This approach makes sense where the Ar/Kr ion tube requires around 200 VDC at 20 A or more - typical of lasers putting out many W of beam power.

    The use of three-phase power greatly reduces the size of the necessary filter components since the rectified pulses from the diodes are at a 60 degree phase angle with respect to each other - 6 per cycle overlapping by 120 degrees. So, raw ripple is down by around 85 percent even without any filter components and the required capacitance on an uF/A basis is greatly reduced. In fact, no capacitors at all may be acceptable assuming the power supply includes a decent regulator. However, due to the generally larger current requirement, an inductor makes more sense than a house heater size resistor in the 'pi' network even though it needs to be a boat-anchor weight chunk of iron wound with #10 AWG wire!

    Note that regulator implementation may not change that much compared to those used for single-phase 115 VAC systems with 100 VDC tubes. This is because the voltage drop across a series pass linear or switchmode regulator can be set up to be similar (at most requiring a modest size buck/boost transformer) in both cases. Of course, current levels may be higher and protection devices need to be sized accordingly for the higher total voltages and power levels involved.

    If you really need these sorts of power levels, I am confident you will be able to come up with the obvious extensions to these schemes as well as all of the remaining nitty-gritty details. :-) However, here are some comments and cautions on large-frame three-phase power:

    (From: Dean Glassburn (Dean@niteliteproducts.com).)

    If you do not have sufficient current and balanced voltage, specifically on a large frame laser from (Coherent, Inc.) with indium seals on the window stubs, the tube will see an undue amount of ripple which in turn will heat up the anode to the point of melting the indium seals. This is a common fault on large lasers of this type when one phase drops out. Then you have a 500 pound boat anchor, no matter what you paid.

    Most, if not all of the power supplies on three-phase units do not use the Neutral as a load bearing wire. In fact, most Neutral wires are the same as the grounding conductor (Safety/Earth Ground) at the service panel except the latter is usually of a smaller gauge. The low voltages required for logic and control in these supplies are usually derived off a common winding of the three phases or off a separate transformer isolating the low voltage AC from the mains.



  • Back to Ar/Kr Ion Laser Power Supply Design Sub-Table of Contents.

    Regulators - Linear, Switchmode, Control

    Ar/Kr Ion Laser Power Supply Regulators

    For all but the most basic of 'testing' power supplies, some type of regulator will be required to control current to the Ar/Kr ion tube. While there are significant differences in implementation, many features are common to all types of regulators:

    Series Pass Linear Regulators

    (Note: For a detailed schematic and circuit description of a commercial unit using this type of design, see the section: Lexel-88 Power Supply and Laser Head. The design described in the section: Sam's Linear Ar/Kr Laser Power Supply (SG-IL1) is derived from the Lexel-88 and simplified for hobbyist use with small air-cooled Ar/Kr ion tubes requiring at most 12 A sustained discharge current.)

    A linear regulator controls the current going to the Ar/Kr ion tube in many ways analogous to that of a common IC like an LM317. However, there are some notable differences:

    Typical Linear Regulator Circuit

    The general circuit organization is shown below. In this example, the regulator is in the cathode return between the centertap of the filament transformer and the negative of the main rectifier/filter (DC-). Depending on maximum required tube current, between 5 and 12 (or more) power transistors may be needed.

    A sophisticated transfer function for the feedback network, F(s), may be used comprising separate loops for Current Control, Light Control (DC and AC - not shown), Standby mode, and an external Modulation Input. See the section: Multiple Loop Controller Organization for further details.

    This regulator connects between the negative output of the main AC line rectifier/filter (DC-, which is also the analog common) and the centertap of the filament transformer (Tube-).

    
                      Control Amplifier
                           +------+             <---------- Pass-Bank --------->
                        +--| F(s) |--+     Tube- o---+------------+-------------+
                        |  +------+  |               |            |             |
                        |   |\       |   |\      Qx1 |        Qx2 |  ...... Qxn |
       Vcl o---/\/\---+-|---|+ \     |   |  \      |/ C         |/ C          |/ C
      (Current Level) | |   |    >---+---|Buf >----|------------|-------------|   
      +---/\/\---+----|-+---|- /         |  /      |\ E         |\ E          |\ E
      |    | Rcl |    |     |/  Op-Amp   |/          |            |             | 
      +----+     /    /                        +-----+      +-----+       +-----+ 
      | Current  \    \                        |     |      |     |       |     | 
      | Limit    /    /                        /     /      /     /       /     / 
      |          \    \                    Rs1 \ Re1 \  Rs2 \ Re2 \   Rsn \ Rsn \ 
      |          |    |                        /     /      /     / ..... /     / 
      |  DC- o---+----+-------------+          \     \      \     \       \     \ 
      |               V             |          |     |      |     |       |     | 
      |                             +----------|-----+------|-----+-------|-----+
      | Vcs = V(Current Sense)                 |            |             |
      +----------------------------------------+------------+-------------+ 
    
    

    Linear Regulator Using Only Discrete Components

    A minor variation on the basic approach using only discrete components is shown in Simple Linear Regulator. This consists of a two transistor differential amplifier, buffer, and pass-bank. This still requires a floating +/-15 VDC power supply (not shown). Depending on the size of the laser, anywhere from 5 to 16 pass transistors can be used. For a small air-cooled type requiring about 100 to 110 V from a 115 VAC line, 2N3055s can be substituted for the high voltage expensive 2N6259s. While no light feedback is shown, that capability can easily be added. Note that his circuit has NOT been tested and a compensation capacitor may need to be added at a strategic location to prevent it from oscillating (by reducing the bandwidth of the pass-bank drive).

    This regulator also has an input for a light control feedback signal but additional circuitry would be needed to interface it to the typical laser head light preamp output. (If a sensed light intensity signal is used directly, it will only provide proportional control which is better than nothing but not the integral/differential loop response required for best performance and to suppress plasma oscillations. For that, the head preamp can be modified or an op-amp circuit similar to the one shown on the SG-IL1 - Control and Interlocks subsystem can be added in the signal path.)

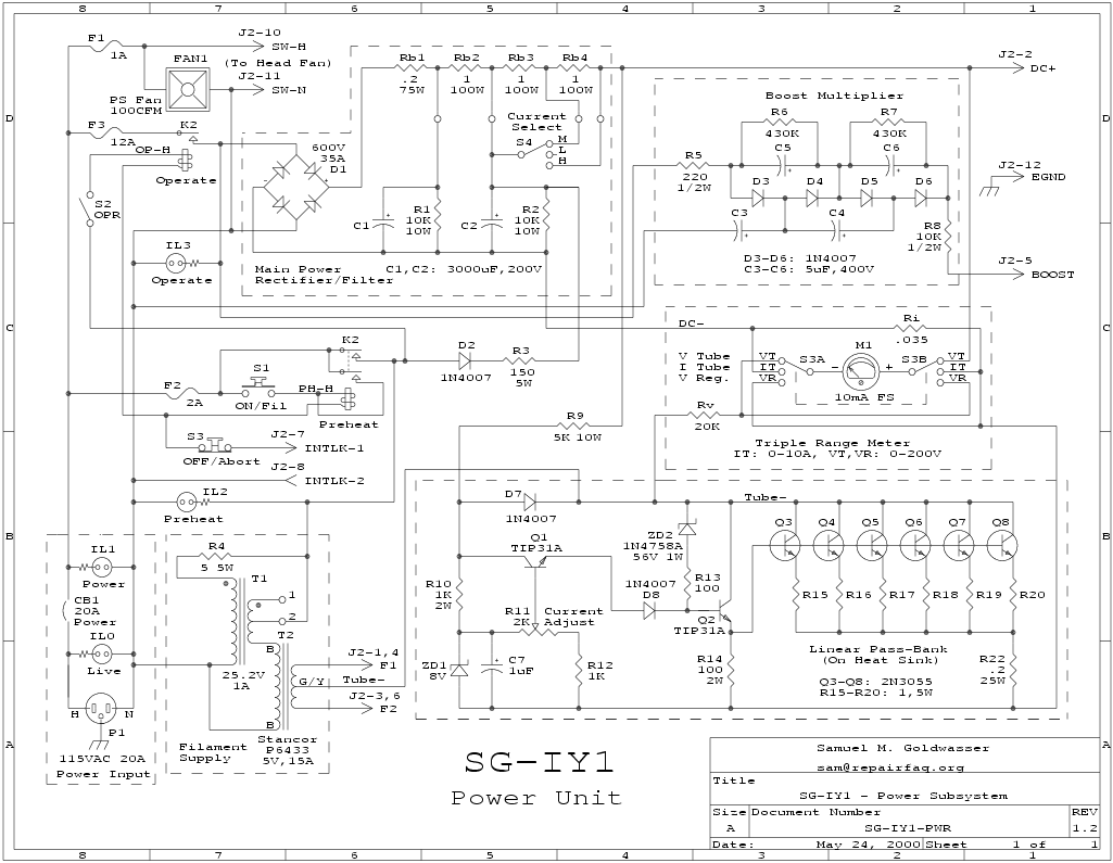
    It should be possible to simplify the regulator portion of the design even further for use as an ion tube testing power supply by just implementing the pass-bank and a massiveemitter follower. While this won't have the same tiffness as a differential amplifier based control circuit, it should be quite adequate for many purposes. This approach is shown in the schematic for the SG-IY1 - Power Unit. This requires no floating power supplies as the needed power is derived from DC+ and the voltage across the pass-bank itself.

    Linear Regulator Using IC

    It is also possible to use a common 3 terminal regulator IC like an LM317 or LT1084 in constant current mode. The advantage of this approach aside from cost (these things are dirt cheap) is that the internal high gain circuitry should result in extremely good regulation without many external components. The IC Based Linear Regulator is adjustable from about 2 to 10 A as drawn but may easily be modified for higher or lower current capacity. A normal (35 V maximum) IC regulator can be used since the voltage divider formed by R5 and R6 assures that the maximum voltage across the device is never more than about 20 V (assuming a 50 V total between Tube- and DC-). There resistors also provide the 'keep-alive' current (roughly 1.5 A) which doesn't go through the pass-bank and is available immediately after the tube starts even before the IC regulator kicks in. (This sets the minimum tube current as well.)

    If you have a bucket load of high voltage regulator ICs (e.g., LM317H), it should be possible (if not entirely practical) to use several (like 10 or 20!) in parallel on a BIG heat sink with current balancing resistors but no additional pass-bank transistors. Details on this as well as adding light feedback capability are left as an exercise for the student! :) (Hint: replace R4 with some form of the light feedback signal.)

    Interfacing to the Line-Connected Circuitry

    The line-connected (non-isolated) nature of most ion laser power supplies introduces an additional complication where control of a linear regulator must be accomplished via a PC, microcontroller, or other analog or logic circuitry. This isn't an issue if the signal can be arranged to originate from a power supply that is referenced to the regulator and there is no chance of human contact with any portion of it including input signals. For example, light feedback where the entire solar cell or photodiode and light sense preamp can be floated may be powered in this manner. However, for something like intensity control or DC coupled modulation, the simple solution is probably not a safe option. In fact, with a bridge rectifier in the power supply front-end, there is no way - safe or not - to interface the regulator to a grounded controller without isolation.

    One thought would be to use an opto-coupler. However, common opto-couplers are not linear devices so using one will result in a non-linear transfer function from the D/A or whatever and the output current. This probably doesn't matter - a lookup table can take care of it if there is minimal drift, but that isn't something that one can take for granted. One way to deal with drift is to use two identical opto-couplers, one in a feedback loop to linearize the overall transfer response.

    Another way to provide isolation is to use a Pulse Width Modulated (PWM, digital) signal via an opto-coupler or transformer. A simple low pass filter and buffer amp will then produce an output which is proportional to pulse width. Generating a PWM signal is a simple matter of comparing a linear ramp with the input voltage - any of the PWM SMPS controller chips will do this easily. For example, (though it would appear to be unnecessary), the Lexel-88 ion laser power supply couples the light feedback signal to its linear pass-bank in this manner. See the chapter: Complete Ar/Kr Ion Laser Power Supply Schematics for the circuit details.

    Series Pass Switchmode Regulators

    (Note: For a detailed schematic and circuit description of a commercial unit using this type of design, see the section: Omnichrome 150R Power Supply and 532 Laser Head.)

    Rather than using the pass-bank essentially as a controlled variable resistor, it is switched on and off at at high frequency - up to several hundred kHz.

    A multiple L-C smoothing filter following this chopper removes ripple from the resulting voltage to the tube. This is called a 'buck converter' because it can only reduce the available voltage.

    Typical Switchmode Regulator Circuit

    The following is a highly simplified schematic of a typical high current buck converter type regulator. Most of the MOSFET and overcurrent protection components are NOT shown.

    The block labeled 'CS' is the current sensor used to provide regulator feedback and is described in the section: Hall-effect current sensor (CS).

    The chopper uses one or more power MOSFETs. Since high current devices of this type are readily available, a single part may be adequate for a 10 to 12 A regulator. However, they may easily be connected in parallel if needed. These devices have internal reverse protection (Dx) and input clamp diodes but additional protection is critical to prevent them from turning into short circuits at inconvenient times (including switching spikes, power on/off transients in addition to overload/fault conditions).

    R1 limits peak current through the Qx bank into C2. Filtering is provided by C2 through C4 and the associated L1 and L2. Since a high switching frequency is used (e.g., 200 kHz), all of these components are quite small and compact (at least relative to those required for 60 Hz filtering!). However, the inductors need to pass the entire 10 A or more of tube current and the capacitors need to be able to handle the high frequency high ripple current. D1 is a 1000 V (typical) high current diode to isolate the igniter boost voltage from this circuitry.

    
                                               Y1 +----+ Y2  ::::       D1
      DC+ o---+--------+---------------------+----| CS |-----^^^^---+---|>|---o To
              |        |    R1               |    +=---+      L2    |        Anode
              |        +---/\/\---+          |                      |
              |                   |          |                      |
             _|_ C1           C2 _|_        _|_ C3                 _|_ C4
             ---                 ---        ---                    ---
              |                   |          |                      |
              |    +---|>|---+    |          |                      |   
              |    |         |    |   ::::   |                      |
      DC- o---+-+--+-+--+  +-+--+-+---^^^^---+----------------------+
                |    |  |  |    |      L1                           |
                | S _|_ v _|_ D |                                   |
                |   ---------   |             PH-H o---------+ T1   |
                |   Qx1 |       |                             )|| +-|--o F1
                |       +-------|-----+              Filament )||(  |
                |               |     |                Supply )|| +-+ Tube-
                |  +---|>|---+  |     |                       )||(
                |  |         |  |     |                       )|| +----o F2
                +--+-+--+  +-+--+     |          N o---------+
                |    |  |  |          |
                | S _|_ v _|_ D       |
                |   ---------         |
                |   Qxn |             |           o       o
                |       +-------------+----||------+ T2  +--------o MD1
                |  D1   |                  C5       )::(
                +--|>|--+                           )::(       PWM Drive
                |                                   )::(
                +----------------------------------+     +--------o MD2
                                             Isolation Transformer
    
    
    Coupling of the pulse width drive signal to the Qx bank is done via the transformer, T2 (most MOSFET gate protection and balancing components NOT shown).

    Switchmode Regulator Controller

    Most modern designs use an SMPS PWM IC like the SG3524 or UC3842. The major internal functional blocks of these IC are the Sawtooth Oscillator (ramp generator) and Voltage Comparator. Timing components (Rt, Ct) set the (constant) oscillator frequency. The Voltage Comparator, subtracts the error signal (Ve) from the instantaneous value of the sawtooth waveform. Its output is high only if Verr is greater than Vosc. The pulse width is therefore a linear function of error voltage over a fairly wide range.

    The Buffer converts the output signals to drive the isolation transformer, T2. Since the circuit is AC coupled, a stuck-at failure will result in the chopper being disabled rather than full-on.

    
                      Rt       Ct              Voltage  
                  +--/\/\--+---||---+        Comparator    Buffer
                  |        |        |   Vosc            
                +---------------------+ |/|/|/ |\          |\       | |
                | Sawtooth Oscillator |--------|- \  _|_|_ |  \    _|_|_
                +---------------------+   Verr |    >------| A  >--------o MD1
                                           +---|+ /        |  /
                                 +------+  |   |/          |/     Chopper Drive
                             +---| F(s) |--+
                             |   +------+  |                      +------o MD2
                             |    |\       |                     _|_
        Vcs (+) o-----/\/\---+----|- \     |                      -
                             |    |    >---+ 
        Vcl (-) o---+-/\/\---+ +--|+ /            Typical PWM Drive (Expanded) 
                    |   | Rcl _|_ |/                   _             _ 
                    +---+      -       Verr Low   ____| |___________| |______
                    Current                            ______        ______
                     Limit             Verr Med.  ____|      |______|      |_
                                                       ___________   ________
                                       Verr High  ____|           |_|        
    
    
    Note that while the simplified diagram, above, shows a single op-amp (and single control loop for current feedback only), actual implementation may have several. Since current is the actual controlled variable, this will be the 'inner' or 'primary' loop which is active as long as the tube is on in Standby mode. The 'outer' or 'secondary' loops are responsible for user adjustable Current Control, Light Control, and external modulation inputs. The Vcs (Current Sense) signal is proportional to the Ar/Kr ion tube current. Vcl (Current Level) is a voltage (negative in this case) from the front panel tube current pot. See the section: Multiple Loop Controller Organization for further details.

    Typical oscillator frequency is 200 kHz. To analyze this circuit precisely would require digital signal processing (DSP) techniques. However, where the loop response is limited (by the Control Amplifier feedback) to much less than the switching frequency, analog techniques can be used.

    Hall-Effect Current Sensor (CS)

    This approach is one way of providing an isolated means of monitoring Ar/Kr ion tube current and is an alternative to the series sense resistor method (which isn't isolated). The circuit consists of a sensor assembly which includes a Hall-effect device located in the gap in a magnetic core with sense and feedback coils.

    The core has a 1 turn winding for the full tube current and a 1000 turn winding (typical) for the feedback. The Hall Device (HD) is placed in a gap in the core so that it intercepts the magnetic flux. The idea is to null out the sum of the magnetic flux provided by the two windings to maintain tube current at the selected level.

    
                                           +---/\/\-------------+
                                           |                    |
                Gapped Core                |              +-----|--+---/\/\---o +V
              _____  _  _____   Op-Amp     |          HD1 |     |  |
             |   __||H||__   |        /|   |        + +------+  |  /
             |  |    ^    |  |o     / +|---+---/\/\---| Hall |  +->\ Offset
             |  |    |   ---------<    |              | Chip |     /
            o|  |   HD1  -----      \ -|-------/\/\---| |H|  |     \
      Y1 o--------       -----        \|            - +------+     |
      Y2 o---|  | 1T  NT -----                            |        |
             |  |        -----      Rcs                   +--------+---/\/\---o -V
             |  |________|  |---+---/\/\---+
             |______________|   |         _|_
                                |          -
                                +---o Vcs to control amplifier
    
    
    (+V and -V are the power supply voltages for the analog circuitry - see the section: Low Voltage Power Supplies.)

    The voltage, Vcs (Current Sense), is proportional to the current required to zero the magnetic flux and is thus proportional to the tube current which equals (N * V)/R7 (where N is the number of turns in the feedback winding). For example, with N = 1000 and Rcs = 100 ohms, the sensitivity is .1 V/A.

    Protecting Pass-Banks from Catastrophic Failures

    Without serious effort, some or all of the power transistors or MOSFETs in both linear and switchmode ion laser power supplies will not survive an output short circuit or even extended operation at excessive current. While, it is possible in principle to design these in such a way that the pass-bank components themselves are robust enough to ride out such faults, in practice they would have to be extremely expensive - and it may not be something that is desirable in any case as then the laser head itself might blow up rather than power supply!

    There are a variety of approaches one can take to handle these situations without a lot of smoke and flames. However, they all consist basically of three parts:

    1. Control conditions to the pass-bank or chopper. Assure that ratings are not exceeded during the early stages of a fault condition (before any action can be taken).

      The smoothing inductor in the chopper will limit the rate of rise of current/voltage in a switchmode design. However, the transistors in a linear pass-bank are often not able to hold off the full rectified line voltage even for an instant. Thus, some means of limiting voltage across the pass-bank long enough for shutdown to take place is essential. Of course, this may mean that output current DOES climb above continuous safe limits for a short time.

    2. Sensing of a fault condition. Generally, either the voltage across the pass-bank or the output current is monitored. Response time must be fast enough that damage does not occur but be immune to the momentary transient of tube starting.

    3. Power supply shutdown. Once a fault is detected, the power supply must shut down or enter an idle/fault state with the least trauma to itself and the laser head. A series fast acting fuse or simply disabling the main relay may not be fast enough. We all know that expensive devices blow to protect 25 cent fuses! A series power transistor or MOSFET switch is one possibility.

      Disabling drive to a switchmode chopper may be all that is needed if it is fast enough. However, for linear pass-bank, input voltage will have to be removed.

    Pass-bank voltage or current (across a sense resistor) can be monitored with a zener diode feeding an SCR circuit. When the SCR triggers, it can kill drive to a series power transistor or MOSFET. Since this is hopefully a one-shot (or at least only occasional) event, dissipation in the switching device isn't an issue - only its ability to interrupt 10+ A. The essentially non-inductive nature of the overall system makes this a somewhat less demanding task than it might appear at first. There are a number of reasonably priced transistors and MOSFETS rated at 20 A and 300 V that would be suitable.

    For example, the Omni-150R, a switcher, includes an overcurrent shutdown circuit which will shut off drive to its chopper MOSFETs, However, this may not be soon enough to prevent their failure and that of several other nearby components. The linear pass-bank in SG-IL1 is protected by limiting its maximum voltage to about 60 V. A separate overcurrent shutdown circuit should shut off main power - hopefully in time! But during a fault, lots of unexpected things can happen and as they say: "This best laid plans of mice and men....". :) In other words, the best advice even with fancy protection is to make every effort to avoid major faults! See the chapter: Complete Ar/Kr Ion Laser Power Supply Schematics for circuit details.



  • Back to Ar/Kr Ion Laser Power Supply Design Sub-Table of Contents.

    Inverter Type Circuit, Example From Microwave Oven

    Basic Inverter Type Power Supply

    This circuit is similar to the one for driving a microwave oven magnetron outlined in the section: High Frequency Inverter Type Microwave Oven HV Power Supplies.
    
                                          Inverter
            Line Rectifier/Filter        Transformer  Tube Rectifier/Filter
                D1        DC+             o        D5      ::::       D6  Anode
      H o----+--|>|-----+-----+------+-----+ T1 +--|>|--+--^^^^--+----|>|----o
            ~|  D2      |     |      |      )::(        |   L1   |
             +--|<|--+  |   +_|_    _|_ 25T )::( 22T   _|_+     _|_+
     115 VAC    D3   |  | C1 --- C2 --- #12 )::( #12   --- C3   --- C4
             +--|>|--|--+   - |      |      )::(        | -      | -
            ~|  D4   |    DC- |      |      )::( o      |        |   R1   Tube-
      N o----+--|<|--+--------+      +-----+    +-------+--------+--/\/\--+--o
                              |      |                                    |
            Drive Transformer |      |                                Vcs o
                    o  T2  o  |    |/ C  
            X1 o-----+    +---|----|   Q1  Both primary and secondary are wound
                      )::(    |    |\ E     with Litz wire to minimize losses.
          PWM Drive   )::(    |      |
                      )::(    |      |
            X2 o-----+    +---+------+     Drawn assuming a flyback converter.
    
    
    The AC line front-end is similar to that described in the section: Single-Phase 115 VAC Line Front-End. The filter capacitor, C1, should be selected to provide acceptable ripple at full load but this is less stringent than for a linear power supply or one without a regulator at all!

    The chopper transistor, Q1, is a high power high voltage NPN power transistor. Snubber/protection components are not shown. The drive signal must be passed via an isolated interface since the emitter of the transistor is the line connected DC-.

    The rectifier on the secondary side, D5, must be a fast recovery type suitable for the switching frequency used. The filter components can be relatively small.

    D6 must pass the full tube current and is used to allow the Boost voltage to build up on the igniter circuit.

    The PWM controller can use the same basic organization as that described in the section: Switchmode Regulator Controller. However, details will differ including the transfer function(s) of the feedback network(s). These details are, as usual, left as an exciting exercise for the student. :-)

    High Frequency Inverter Type Microwave Oven HV Power Supplies

    While the vast majority of microwave ovens - perhaps every single one you will ever see - use minor variations on the tried and trusted half wave doubler circuit, a few models have been designed using solid state high frequency inverters - in many ways similar to the deflection/HV flyback power supply of a TV or monitor.

    A typical circuit (from a Sharp microwave oven) uses full wave rectified but mostly unfiltered pulsating DC as the power to a large ferrite inverter transformer which sort of looks like a flyback on steroids. This means that the microwave output is pulsing at both 60 Hz and the frequency of the inverter!

    
            Bridge Rectifier         Inverter Transformer            Magnetron
                                           o
      H o----+---|>|------+--------+-------+    +--------------------------+
            ~|            |+      _|_ Drive )::( Filament 1T #18           |
             +---|<|---+  |       ---   25T ):: +--------------+------+    |
     115 VAC           |  |        |    #12 )::   HV Cap       |    +-|----|-+
             +---|>|---|--+        +-------+ :: +-------||-----+    | |_  _| |
             |         |           |         ::(     .018uF    |    |   \/   |
      N o----+---|<|---+   Drive |/ C        ::(     2,400V  __|__  |   ___  |
            ~          |-    o---|   Chopper ::( HV          _\_/_  +----|:--+
     (Interlocks and   |         |\ E        ::( 250T          | HV      |'-->
      fuses/protectors |           |         ::( #26   Sense   | diode   | uWaves
      not shown)       +-----------+            +--+---/\/\----+---------+
                                                 o  |    1.2   _|_
     (Except for filament, # turns estimated)       o H1        -  Chassis Ground
    
    
    The chopper transistor is marked: Mitsubishi, QM50HJ-H, 01AA2. It is a LARGE NPN type on a LARGE heatsink. :-)

    Note the similarity between the normal half wave doubler circuit and this output configuration! Base drive to the chopper transistor is provided by some relatively complex control circuitry using two additional sets of windings on the inverter transformer (not shown) for feedback and other functions in addition to current monitoring via the 'Sense' resistor in the transformer return.

    It is not known whether power levels in this over were set by the normal long cycle pulse width modulation or by control over a much shorter time scale. However, since the filament of the magnetron is powered from the same transformer as the HV - just as in a 'normal' microwave oven, this may not be very effective.

    Compared to the simplicity of the common half wave doubler, it isn't at all surprising why these never caught on (what is diagramed above includes perhaps 1/10th the actual number of components in a typical inverter module). Except for obvious problems like a tired fuse, component level troubleshooting and repair would be too time consuming. Furthermore, as with a switchmode power supply (which is what these really are) there could be multiple faults which would result in immediate failure or long term reliability problems if all bad parts were not located. Schematics are not likely available either. And, a replacement module would likely cost as much as a new oven!

    This is simply a situation where a high tech solution was doomed from the start. The high frequency inverter approach would not seem to provide any important benefits in terms of functionality or efficiency yet created many more possibly opportunities for failure. The one major advantage - reduced weight - is irrelevant in a microwave oven. Perhaps, this was yet another situation where the Marketing department needed something new and improved!



  • Back to Ar/Kr Ion Laser Power Supply Design Sub-Table of Contents.

    Multiple Loop Controller, Light Feedback, Overcurrent Trip

    Multiple Loop Controller Organization

    The general circuit shown below can be used (with just a bit of refinement!) for any of the regulators (linear, switchmode, inverter). A number of signals affect the output of the controller which is sent to the regulator itself: In the diagram, below, all inputs are positive going signals or levels.
    
                             +---/\/\---+                         +---o/ o---o -V
                S3           |  |\      |                         | S4 Standby
        Vmi o--o/ o---/\/\---+--|- \    |                         /
             Modulation         | -1 >--+--------/\/\---+--/\/\-->\ Rsb
               Enable        +--|+ /                    |         / Standby
                             |  |/ IC1A                 |         \ Adjust
                             V                          |         |
            Vcs o--+-----------------------------/\/\---+         V
                   |          S1 CC Disable             |             Rdc
                   |        +-----o/ o---+              |     +----/\/\----+
                   |        |  +------+  |              |     |  +------+  |
                   |        +--| C(s) |--+              +---+-+--| P(s) |--+
                   |        |  +------+  |              |   |    +------+  |
      Vls          |        |   |\ IC1B  |              /   |     |\  IC1C |
       o    Vcl o--|--/\/\--+---|- \     |  D1    Verr  \   +-----|- \     |
       |           |            |    >---+--|<|--+--+   /   |     |    >---+
       /           +------------|+ /             |  |   \   |  +--|+ /     |
       \                        |/               |  /   |   |  |  |/       o
       /                      S2 LC Disable      |  \<--+   /  V        Verr (to
       \    Vll o----/\/\---+------o/ o--+--|<|--+  / Rcl   \          regulator)
       |                    |  +------+  |  D2      \  Cur. /            
       +---/\/\---+         +--| L(s) |--+          |  Lim. \ Rng
       |  |\ IC1D |         |  +------+  |          V       | Noise Gain
       +--|- \    |         |   |\ IC2A  |      +---------/\/\----+    
          | -1 >--+--/\/\---+---|- \     |  C1  |     D3          | 
       +--|+ /                  |    >---+--||--+--+--|>|--+      V
       |  |/                 +--|+ /               |  D4   |
       V                     |  |/                 +--|<|--+
                             V                             | 
                                                           V
    
    
    The Primary (inner) loop feedback network (IC1C) consists of Rdc to provides a DC set-point (proportional) for the tube current based on the Vcs (current Sense) feedback signal and P(s) which is in the form of one or more series R-C networks in parallel with Rdc to control loop frequency response. This results in a proportional-integral loop response.

    The Secondary (outer) loop feedback networks, C(s) (Current, IC1B) and L(s) (Light, IC2A), typically consist of one or more series R-C networks in parallel to produce an integral response characteristic. Stability must be assured for any combination of Current and Light front panel control settings. (With some designs, it is possible to destabilize the loop by turning up the Noise Gain pot (Rng) too high.) In the circuit, above, D3 and D4 are included to clip the AC component of the light signal to prevent this from happening.

    Possible modes are as follows:

    Note: S1 and S2 are actually optional as the same effect can be achieved by turning the associated front panel controls to their lowest (counterclockwise) settings effectively disabling Current Control or Light Control respectively. is too high and vice-versa. Normally, one or the other of these pots would be left in the fully counterclockwise position to disable that control loop. Whichever loop has a higher error voltage (at point Verr) will be in control.

    Light Control Circuitry

    Here is a typical laser head mounted light control front-end. The optical pickup point must be in a location which related to output power but which doesn't interfere with the main beam.
    
                                   +--+ Sensitivity Adjust
                                   |  | Rsa
                   +-------------/\/\-+------------+
                   |                               |
                   |     C1                   +V   |
                   +-----||-----+              o   |
                   |            |              |   |
                   |   |\       |              |   |
            +------+---|- \     |         Q1 |/ C  |
            |          |    >---+----/\/\----| NPN |
           _|_     +---|+ /                  |\ E  |
       --> /_\     |   |/  Op-Amp              |   |
        SC1 |      |                           +---+-+---o Vls (Light Sense)
            |      |                           |     |     to control amplifier
            +------+                           |     /     light control input
       Solar Cell  |                           /     \
                   |                           \     /
                   |                           /     \
                   |                           \     |
                   |                           |     +---o +
                   |                           |           Laser Power Test Point
                   +---------------------------+---------o -
                   V
    
    
    The Solar Cell, SC1, generates a current which is proportional to incident light from a portion of the laser beam. The Op-Amp, IC1, converts this to a voltage which is buffered by Q1. C1 limits the frequency response to assure loop stability. The Op-Amp's output is applied to the control amplifier to maintain beam power stable based on its actual intensity.

    A PIN photodiode could be used instead, appropriately biased to inject current into the amplifier input.

    A high frequency signal (AC coupled) may also be derived from the light sensor to be used for noise reduction (see the section: Multiple Loop Controller Organization).

    Overcurrent Shutdown Circuit

    Both the tube and power supply must be protected against excessive current. In some cases, this will be on a time delay. The overcurrent trip circuit below will respond in a time determined by the values of the components in the input filter network and severity of the overload.
    
                           Trip Set
                              Rts
                        +----/\/\----/\/\---o +Vcc
                        |      |                       |\  Comparator
                        V      +-----------------------|- \
                                                       |    >---+------o OVERCUR
       Vcs o----/\/\---+------+---|>|---+------+---+---|+ /     |
                       |      |   D1    |      |   |   |/       |
                       /      |         |      /   |            |
                       \     _|_       _|_     \   +----/\/\----+
                       /     ---       ---     /   |
                       \      |         |      \    |- Reset
                       |      |         |      |   |
       Com o-----------+------+----+----+------+---+
                                   |
                                   V
    
    


  • Back to Ar/Kr Ion Laser Power Supply Design Sub-Table of Contents.

    Igniters, Pulse, Resonant, Bypass, High Current High Voltage Diodes

    Ar/Kr Ion Tube Pulse Type Igniter

    This is a high voltage pulse generating circuit with high current pass-through capability and has some features in common with the pulse starting circuits for HeNe lasers.

    It is similar to the igniter used in the Omnichrome 150R power supply and 532 laser head (see the chapter: Complete Ar/Kr Ion Laser Power Supply Schematics for details) and is intended to be placed in the high-side (anode circuit). However, some designs may put the igniter in the low-side (cathode circuit) instead.

    The first part of the circuit is used to generate an approximately 400 VDC 'boost' source from the AC line. This is a classic voltage multiplier. The Boost output is used to charge the energy storage capacitor (C6) for the pulse circuit and power the relaxation oscillator that triggers it repeatedly until the Ar/Kr ion tube starts. The supply voltage to the relaxation oscillator (across D6) is then automatically removed and triggering ceases.

    See the chapter: HeNe Laser Power Supply Design for descriptions of HeNe pulse starters and operation of a voltage multiplier.

    The primary reason to use the boost voltage rather than the 150 VDC available from the line rectifier/filter at DC+ is to dump some additional energy into the tube at the instant of startup (from C8) to aid in transition from a glow discharge to the high current arc required during normal operation.

    Another reason for using the higher boost voltage is to reduce the number of fat wire turns on the pulse transformer toroid. Increasing the voltage on the energy storage capacitor from 150 to 400 V reduces the turns ratio by better than 2.5:1 requiring only 30 instead of 80 turns on the secondary. Once you have wound one such transformer, you will appreciate this savings!

    I've used the ferrite core of a deceased flyback transformer for T1 with a 2 turn primary and 30 turn secondary. This worked fine for my home-built Cyonics tube based laser head. The large ferrite cores from PC (or other) switchmode power supplies should be fine as well. Make sure the secondary can handle the full ion tube current and is adequately insulated for the several kV or more that is produced.

    The bypass capacitors, C9 and C10, complete the return circuit from the bottom of the secondary of the igniter transformer to F1 (of the ion tube filament/cathode). Without these, in addition to interfering with starting, this pulse could find its way back into the power supply itself resulting in cascade failures of regulator or other components.

                       - C1 +         - C2 +
      H o----------------)|----+--------)|---------+      C1-C4: 10uF, 350V
     (OP)                D1    |   D2        D3    |  D4
                     +---|>|---+---|>|---+---|>|---+---|>|---+
              R1     |      - C3 +       |      - C4 +       |
      N o----/\/\----+---+----)|----+----+---+----)|----+----+---+---o Boost
                         |    R2    |        |    R3    |        |    (>400 V)
                         +---/\/\---+        +---/\/\---+        |
                                                                 |
            +--------------------------+-------------------------+
            |                          |
            /                          /              Igniter pulse transformer
         R4 \                       R8 \              Typical stepup ratio 20:1
       100K /                     100K /                            o
            \                          \                        T1 +-----+--o HV+
            |                          |                        ::(      |
            +--------------------------|---------------+        ::(      |
            |                          | C6 1uF        |        ::( 30T _|_ C7
         R5 /                          +---||----+------------+ ::( #14 --- 500pF
         8M \            DL1    SCR1 __|__       |     |  1.5T )::(      |
            /            NE2H   600V _\_/_       /     |   #14 )::(      |
            |            +--+    25A / |      R9 \     |   +--+    +-----+
            +--------+---|oo|---+---'  |      .1 /     |   | o           |
            |        |   +--+   |      |         \     |   |             |
            /        |          /      |         |     +---|-------------+
         R6 \    C5 _|_      R7 \      |    D5 __|__   |   |             |
         3M /  .1uF ---     180 /      | MR826 _\_/_  _|_+ |         D6 _|_
            \  250V  |          \      |         |    ---  |   1N1190AR /_\
            |        |          |      |         |     |   |   600V,40A  |
            +--------+--------+-+------+-+-------+-----+---+-------------+
                              |          |          C8 10uF              |
                          C9 _|_+   C10 _|_          600V                |
                        10uF ---   .1uF ---                 R10 .1 50W   |
                        450V  |    500V  |         DC+ o---+---/\/\---+--+
                F1 o----------+----------+                 |          |
                                                           o + Test - o
                                                              .1 V/A
    

    Ar/Kr Ion Tube Resonant Igniter

    One concern with a pulse igniter is damage that may occur to the tube cathode each time the igniter fires. This is generally not a serious issue if properly designed with minimal energy in the pulse but over the long term, may have some effect on the life of the tube. And, it could be particularly hard on tubes that take many tries to start. It is possible to design an igniter that is more gentle. Some ion lasers use a resonant igniter which is in essence a circuit like mini-Tesla coil that generates a burst of radio frequency (RF) rather than simply a voltage pulse. The amplitude of the RF pulse can be much more modest than of the HV pulse and since using a Tesla (or Oudin) coil is one way to start an uncooperative tube, such as approach does make sense.

    While the typical circuit does generate a high voltage pulse, it doesn't actually appear on the tube anode but is used to jump the spark gap of a resonant (LC) circuit, sort of like an early spark trasmitter. :) The spark gap discharge completes the series LC circuit which then produces a damped RF oscillation and that ionizes the gas in the tube, allowing the main DC current to flow.

    See the schematic of the NEC GLG3030 - Laser Head. As can be seen, the igniter transformer, T1, has a pulse generating autotransformer winding on the left, and the resonant winding on the right. The SCR, (SCR301) discharges C301 into the primary which generates a high voltage pulse in its autotransformer secondary. This causes the spark gap (UDB-3) to break down allowing C303 to resonate with the series winding of T1, through which the main tube current also passes.

    While superficially, this looks similar to the typical pulse igniter, the resonating winding of T1 is designed along with C303 to produce the burst RF at a relatively low voltage, which is easier on the tube cathode.

    Note that even the pulse starter in the previous sections has a small capacitor on the igniter transformer secondary, so it too may have some RF component in the output, just before the boost capacitors discharge through the tube and whack the cathode! :)

    An Unusual Arc Lamp or Ion Laser Igniter

    Now here's a strange igniter. This unit was found in a Hughes JVC model 100 video projector and is used to start the arc lamp (rather than an ion laser) but that's just a detail. :) Its high voltage source is a standard Melles Griot helium-neon laser power supply brick, an 05-LPM-949, typically used for a 5 mW (rated) HeNe laser. This feeds a potted unit which contains a 60 AMP transformer, with an external high voltage capacitor (0.01 uF, 10 kV) and spark gap (5.5 kV). The input to the HeNe laser power supply is the raw DC for the arc lamp, even though this brick normally runs on 115/230 VAC.

    Apparently the way it works is as follows: Before the arc lamp strikes, the voltage across it is about 150 VDC. This would seem to be lower than the normal internal DC voltage of the HeNe laser power supply (after the 115 VAC or 230 VAC line voltage is doubled or rectified and filtered) but regardless, is enough for it to try to start the non-existent tube by generating the 10 kV start voltage, charging the HV capacitor until the spark gap breaks down at 5.5 kV. That results in some combination of a high voltage pulse and high frequency oscillation just as in the resonant igniters described in the previous section, with up to 32 kV available to start the lamp. Once the arc lamp is lit, its sustaining voltage is only around 19 V (at 39 AMPs!), insufficient for the HeNe laser power supply to do anything, so it twiddles its thumbs during the movie. :-) Interestingly, the 05-LPM-949 has *two* adjustment pots, with the second one being to set the startup delay. The extra trimpot may be the only difference between the 05-LPM-949 and the otherwise similar 05-LPM-948.

    I can't imagine this to be a less expensive solution than one using a miniature high voltage power supply module designed to be a high voltage power supply module, rather than a HeNe laser power supply. So, it's either an elegant ion laser igniter on steroids - or a kludge - depending on your point of view. ;-)

    Alternative Starting Circuits for Small Ar/Kr Ion Tubes

    (Portions from Steve Roberts.)

    An ALC-60X/Omni-532 or other large tube (e.g., a Lexel-88) needs considerable energy to form the cathode spot. And, over time as the pressure goes down it WILL need the high power resonant ignition approach described in the section: Ar/Kr ion tube pulse type igniter.

    However, a small, modern, tube like the Cyonics starts rather easily with its short bore and oversized cathode. Therefore, it may be possible to use a simpler approach for its igniter using a low current high voltage (say 2 kV) supply feeding onto the anode side of a HV bypass diode as shown below:

    
                           R1                R2
             +2 kVDC o----/\/\------+--------/\/\-------+----------+
                          100K      |        100        |          |Tube+
                                C1 _|_+      10W        |        .-|-.
                               1uF ---                  |        | | |
                               3kV  | -                 |        |   |
                                    |        D1         |        |   | LT1
                 DC+ o--------------|--------|>|--------+        |   |
                                    |        3kV                 |   |
                                    |        20A                 ||Z.|
                                    |                            '+-+'
              DC RET o--------------+------------------------+  F1| |F2
                                                             |    | |
                                   AC o--------+ T1          |    | |
                                                )|| +--------|----+ |
                                       Filament )||(  Tube-  |      |
                                         Supply )|| +--------+      |
                                                )||(                |
                                                )|| +---------------+
                                   AC o--------+
    
    
    R1 limits current from the HV supply while R2 limits current from C1 at the instant the tube starts. D1 allows the HV to build up across the tube. Of course, high current diodes with 3 kV ratings aren't cheap either! But, see the section: Construction of HV High Current Blocking Diodes.

    I have not tested this circuit but promise to do so in the future. While this general approach works well for starting HeNe tubes, they are not quite the same animal!

    The ALC-60X/Omni-532 design does use a diode switch like this for the boost voltage but I have only seen xenon arcs using it for starting HV. I suspect there is a impedance problem - i.e., you get a glow that doesn't progress to a arc and the cathode spot doesn't form. Arc lamp supplies that use this method often overcharge the caps in the power supply to insure they start as well as use a trickle supply of about 1 kV at several mA while running to keep things ignited.

    However, for an older or larger tube, you really have to hit it with the pulse igniter.

    Also see the section: Pulsed Operation of an Ar/Kr Ion Tube since the approaches described there may be useful for igniters as well.



  • Back to Ar/Kr Ion Laser Power Supply Design Sub-Table of Contents.

    Filament and Low Voltage Supplies, Line Frequency Clock

    Ar/Kr Ion Tube Filament Power Supply

    This is implemented as a simple low voltage high current power transformer with a centertapped secondary winding. Typical voltage is 2.5 to 3.0 VRMS at 15 to 25 AMPS. Make sure your connections are secure!

    To balance the current feed through the Ar/Kr ion tube cathode, the negative from the power supply is applied to the center tap of this winding. Since the low voltage secondary has only a few turns of fat wire and is an outer winding if not on its own bobbin, it is a simple matter to add a centertap if you are modifying an existing transformer and one doesn't already exist.

    Since this voltage must be relatively accurate, a Variac or some other means of adjusting it needs to be provided. Commercial designs typically provide multiple taps on the transformer primary to set up the proper current. With a semi-homemade secondary, partially unwinding one turn may be all you need to tweak the current.

    Note that while some commercial ion laser power supplies claim to use DC for the filament to reduce ripple and noise in the laser output (Melles Griot 176B, for example), this is not recommended even if you have a suitable low voltage high current DC power supply available:

    (From Steve Roberts.)

    DC requires some changes to the cathode-to-bore spacing (longer), or a slowly wandering DC offset from inside the switching PSU, or you end up with a hot spot. The only DC cathode tubes I know of go into very precise semiconductor wafer measurement stuff. I got a call from one of the major tube makers about two years ago asking for advice, it seems their main plasma guy had left and they wanted to find another way after X heads on DC test killed their cathodes, periodic polarity flipping becomes a option too. For long Life, AC rules.

    Low Voltage Power Supplies

    These can be of conventional design using a low voltage centertapped power transformer, bridge rectifier, filter capacitors, and a pair of IC regulators. For typical +/-15 VDC analog power, suitable regulators can be the common 7815/7915 types. Logic power (+5 VDC) can be obtained from the input to the V+ using a 7805 IC regulator and dropping resistor to reduce its power dissipation.

    The only major consideration is that one or more supplies of this type may be needed that are electrically floating to power the regulator controller and/or light feedback circuitry if they are direct coupled to the regulator (which is on the line connected DC+ or DC- feed). However, this is easily solved since any decent power transformer will be rated for at least 2,500 V isolation.

    
           28VCT,1A
       H o--+ T1
             )||       D1       V+              In +------+ Out
             )|| +--+--|>|-----+--------------+----| 7815 |---------+----o +15 VDC
             )||(  ~|  D2      |         C1 +_|_   +------+    C3 +_|_
             )||(   +--|<|--+  |   10,000uF  ---   Com |     10uF  ---
             )||(  L1       |  |        25V - |        |      25V - |
     115 VAC )|| +----------------------------+--------+------------+--+-o Analog
             )||(  L2  D3   |  |         C2 +_|_       |       C4 +_|_ V   Common
             )||(   +--|>|--|--+    5,000uF  ---   Com |     10uF  ---
             )||(  ~|  D4   |   V-      25V - |    +------+   25V - |
             )|| +--+--|<|--+-----------------+----| 7915 |---------+---o -15 VDC
             )||                                In +------+ Out
       N o--+    D1-D4: 1N4007 or 2 A bridge
    
    
    Note: Pinouts for 78 and 79 series parts are NOT the same!

    And, for the logic supply (if needed) AND with its common at the same potential (floating or grounded):

    
                      R1          In +------+ Out
            V+ o-----/\/\-------+----| 7805 |---------+-----o +5 VDC (Vcc)
                           C5 +_|_   +------+    C6 +_|_
                      1,000uF  ---   Com |     10uF  ---
                          25V - |        |      16V - |  X
                                +--------+------------+--+--o Digital Common
                                                        _|_ 
                                                         -
    
    
    Single point connection between analog and digital commons is made at point X.

    In addition, place .1 uF ceramic capacitors across each of the electrolytics to bypass high frequency noise.

    WARNING: If these are floating - not at earth ground - there will be blown parts and vaporized wiring if connected there!

    Depending on the current requirements, the regulator ICs will likely need to be mounted on heat sinks (isolated from each other using mica spacers and silicone heat sink compound if on the same one).

    The circuit as shown above is rated at about .5 A for each of the 15 V outputs and an additional .5 A for the +5 V output (using a nice heat sink for the IC regulators!). R1 should be selected to leave about 2 or 3 V of headroom at maximum logic current to reduce power dissipation in the 7805 chip.

    An isolated 60 Hz clock can be easily extracted from the secondary winding of any of these low voltage power transformers:

    
                R2                               R3
       L1 o----/\/\-----+-------+       +----+--/\/\-----o +5 (Vcc)
                1K      |       |       |    |   1K
                    D6 _|_    __|__   |/ C   +-----------o CK60-P
                1N4002 /_\    _\_/_-->|
                        |       |     |\ E
                        |       |       |
                        +-------+  OC1  +----------------o Common
                        |         4N35
                        V
    
    
    The opto-isolator, OC1, can be either a photodiode or phototransistor (shown) type although the value of R1 may need to be adjusted based on this and the transformer's output voltage. Using a bridge or full wave rectifier in series with OC1 instead of D1 across it will result in a 120 Hz clock. However, the lower frequency clock is probably better for the most likely use - a timer for the filament preheat delay.

    A simpler circuit can be used where isolation isn't needed:

    
                                                   R5
                                             +----/\/\-----o Vcc
                                             |     1K
                                             +-------------o CK60-P
                                             |
                    R4     D7       D8     |/ 
           L1 o----/\/\----|>|------|>|----| Q1 2N3904
                   10K   1N4148   1N4148   |\
                                            _|_
                                             -
    
    


  • Back to Ar/Kr Ion Laser Power Supply Design Sub-Table of Contents.

    Requirements, Safety, Protection, Switches, Indicators

    Basic Requirements for a Hobbyist Power Supply

    (From: Steve Roberts.)

    The schematic in U.S. Patent #4,504,951: High Speed SMPS for a Light Controlled Laser System (ALC), is a reasonably simple design. Actual production units have about twice the parts so as to get a reprographic or instrument grade beam. See the chapter: Complete Ar/Kr Ion Laser Power Supply Schematics.

    For a light show, an ion laser power supply just has to do the following (assuming an ALC-60X/Omni-532 class tube - others will use different values):

    1. Warm up the cathode and charge the caps slowly before starting. Most supplies use a CD4040 chip to count 5,000 or so pulses of the 60 Hz line for a 35 second delay while others use a 555 timer as a monostable.

    2. Provide 4.5 to 10 A constant current (adjustable) into a tube that drops 100 to 110 VDC but acts (incrementally) just about like a dead short. Adjusting the current from 4.5 A to 10 amps varies the beam power from 20 to 110 mW (for the ALC-60X/Omni-532).

    3. Power up the fan(s).

    4. Provide current regulation to compensate for line voltage load impedance variations (as the tube heats up).

    5. Monitor the over-temperature and case safety interlocks, and check for the presense of the fan(s) via a wire loop on the fan connector. Refuse to power up/shut down should any of these be open.

    6. Shut down if tube current exceeds 9.50 amps for more then a minute.

    7. Provide light control circuitry for beam stabilization and diagnostics.
    While regulation (4) and overcurrent sensing (6) are not strictly required, bad things can happen if tube current is not monitored continuously. Light control (7) is also optional but Ar/Kr ion tube life will be shorted slightly without it. However, for external mirror lasers, the light sensor provides a great way to peak the mirrors as the light sensor signal shows up on banana jacks on the side of the head, along with a pair of jacks for the tube current, so diagnostics are built in to the head at the factory (or should be by you if you are rolling your own).

    Required Safety/Protection Features

    The following are essential for both personal safety as well as protection of the equipment in the case of an electrical or cooling failure: For more detailed information with circuits, see the chapter: Complete Ar/Kr Ion Laser Power Supply Schematics. Also, see the section: Typical Interlock Chain Wiring.

    Typical Interlock Chain Wiring

    This is just a series connection of all the required interlock switches, plugs, and thermal protectors - some portions of which have indicators on them. A single lamp would suffice across the entire string (just an NE2H in series with a 47K resistor for a 115 VAC interlock circuit!) but this tells you exactly where the problem is located. However, a special sensitive indicator would be needed to work properly where multiple interlock are open simultaneously (and more than one indicator would end up in series - dimming or not lighting up at all). See the section: Interlock and Protector Indicator.
    
                          Head Fan or Cover     Head Limit
                                 +-+                +-+
                       +---------|I|---------+  +---|I|---+
                       |         +-+         |  |   +-+   |
                       |   P1         S1     |  |   TP1   |
         Interlock o---+-<<--->>------_|_----+--+---_|_---+---+
         (to relay     Part of LH                             |
         or logic)      fan plug   PS Cover      PS Limit     |
                                      +-+           +-+       |
                                  +---|O|----+  +---|I|---+   |
                      Keyswitch   |   +-+    |  |   +-+   |   |
                          S2      |   S3     |  |   TP2   |   |
            Return o-----o/ o-----+---_|_----+--+---_|_---+---+
    
    
    If ANY switch or interlock opens during operation or is open before powering up, power to the Ar/Kr ion tube should be shut off or be prevented from coming on. Control power should remain active and the relevant interlock status indicators (if present) should light up.

    Control Logic and Power Switching

    In order to assure personal safety and protection for the components in the power supply and laser head (particularly, the Ar/Kr ion tube), interlocks and sequencing are required. This can be done partially manually (for testing) but automatic (digital) control will be needed for any sort of permanent setup. There are a couple of approaches one can take: Note that in both cases, certain key functions should be hard wired such as safety interlocks and thermal protection for the tube. Do NOT depend on electronic control for these! Furthermore, there must always be the equivalent of a FAT RED stop or off button - and it must have a direct effect even if some stupid TTL device or firmware program is locked up!

    While everything below isn't essential for a bare-bones hobbyist supply, these features will add a professional touch to your system! The functions that need to be provided are as follows (these are all outputs or states):

      Function  Description    Type             Conditions/equations
    ----------------------------------------------------------------------------
      MAIN     Main Power    Breaker     Manual, trip on system overload.
    
      IDLE     System idle      FF       State entered when system powered up or
                                           RESET PB pressed.
    
      PREHEAT  Filament Pwr. SW or FF    Manual, reset by abort.
                Precharge                 Initiates 30 to 60 second delay before
                                          enabling SB or OP modes.
    
      FILHOT   Filament Hot     FF       Goes active after Preheat delay as long
                                           Preheat still enabled and Safe.
    
      SBREQ    Standby Req.  SW or FF    User activated to request Standby mode.
    
      SBMODE   Standby Mode     FF        Enabled after Preheat delay if SBREQ is
                                          set and all interlocks and protectors
                                          are 'go' (closed).
    
                                         SBMODE = SBREQ * FILHOT * SAFE * ~ABORT
    
      OPREQ    Operate Req.  SW or FF    User activated to enter Operate mode.
    
      OPMODE   Operate Mode     FF       Enabled after Preheat delay if OPREQ is
                                          set and all interlocks and protectors
                                          are 'go' (closed).
    
                                         OPMODE = OPREQ * FILHOT * SAFE * ~ABORT
    
      DCPWR    Tube on         Relay     SBMODE + OPMODE  
    
      LH Fan   Tube cooling  Inter/Pro   SBMODE + OPMODE + LHWARM
    
      PS Fan   PS cooling    Inter/Pro   SBMODE + OPMODE + PSWARM
    
      SAFE     System safe   SWs, Prots  ~(LHHLIM + PSHLIM + PSOPEN + LHOPEN)
    
      FAULT    OVERCUR       Inter/Pro   Disables everything except main power
                                           if: OVERCUR.
    
      OVERCUR  Over current  I-Sense     Pulse to kill power on extended excess
                                           tube current.
    

    User Switches and Indicators

    These are the suggested set of front panel switches, and status and warning indicators for a logic or microprocessor controlled power supply:
          Switch                      Indicator
     -----------------------------------------------------------------------------
       Main Breaker        Line live/control power on (neon)
       Key Switch
                           System idle - powerup or reset (green)
       Preheat PB SW       Blink while heating, solid when hot (green)
       Standby PB SW       Blink until tube starts, solid when running (green)
       Operate PB SW       Blink until tube starts, solid when running (green)
       Fault Reset PB SW   Fault on until reset (red)
       Meter select I/V
    
    All except the main breaker may be pushbuttons to set appropriate flip flops or toggle switches if less sophistication is good enough!

    For a fabulous ASCII rendition of a possible front panel layout, check out the one I intend to use for "Sam's linear Ar/Kr laser power supply (SG-IL1). See the section: SG-IL1 front panel layout.

    Interlock and Thermostat Switches and Indicators

    These switches are required for anything but the most basic test supply. The indicators are optional:
         Switch              Description                   Indicator
     ------------------------------------------------------------------------
      PS Interlock        Cover missing                  PS Unsafe (red)
      PS High Temp        Heat sink > 180 degrees F      PS High Temp (red)
      Head Interlock      Fan or cover missing           LH Unsafe (red)
      Head High Temp      Tube > 180 degrees F           LH High Temp (red)
    
      PS Warm             Interior > 120 degrees F       PS Warm (yellow)
      Head Warm           Interior > 120 degrees F       LH Warm (yellow)
    
    Note: some tubes may be happier if their cooling fan is shut off at the same time as power or shortly thereafter rather than waiting for full cool-down. Thus the 'Head Warm' switch (thermostat) may not be needed (or can provide reduced airflow after the tube has been shut off).

    (From: Steve Roberts.)

    The 60X generally will withstand a sudden shutdown, in fact rapid cool-down with the fan on is more of a lifetime shortener. This is not true of all air-cooled lasers, some of which store too much heat and need the fan. I generally just shut everything down at once with no problems in years of operation. More modern supplies run the fan about 1 minute after shutdown.



  • Back to Ar/Kr Ion Laser Power Supply Design Sub-Table of Contents.

    Component Selection and Construction Considerations

    Ar/Kr Ion Laser Power Supply Component Selection

    I would recommend a very conservative approach to parts specification. Clearly, this is critical in the power systems where a failed component can result in smoke, fire, and explosions which can easily ruin your whole day. However, a fault in the logic or analog control circuitry can result in equally disastrous consequences since the regulator is driven from there.

    For the power handling components, derate resistors, capacitors, and semiconductors by 30 to 50 percent. For example, where the main bridge needs to be rated for 10 A, use a 20 to 25 A device - the increase in cost will be minimal and well worth it. Electrolytic capacitors should be 200 V minimum, 250 desirable for the line filter. Be particularly conservative with the regulator power transistor ratings. Figure on at least 5, 150 W power transistors in parallel for a linear pass-bank handling 10 A even though the individual devices may be rated for 15 A.

    For the logic and analog circuits, use high quality name brand components (no unmarked op-amps you happened to have in the junk bin!). Make sure you follow the recommended practices of providing bypass capacitors where needed (and on all logic devices), tie unused inputs to a legal state, etc. Separate digital and analog grounds except at a single point. Route digital and analog wiring separately.

    Ar/Kr Ion Laser Power Supply Construction Considerations

    Here are some guidelines (well, some are more than guidelines for your own safety at least) for the power supply, laser head, and general construction practices.

    For the power supply itself:

    Specifically for the laser head: General:



  • Back to Ar/Kr Ion Laser Power Supply Design Sub-Table of Contents.

    Special Parts 1 - Low Ohm Resistors, HV High Current Diodes

    Constructing Low Ohm High Power Resistors

    Many of the resistors listed in the Ar/Kr ion laser power supply circuit diagrams and complete schematics call for ratings of a small number of ohms or a fraction of an ohm - but at 10s of watts, 100s of watts - or greater! While it may be possible with great effort to locate these from electronic distributors around the globe or beyond (and searching that far may be needed!), they can often be constructed for next to nothing in total parts cost. And, there may be much more flexibility when what you really want is not a standard value!

    Incandescent light bulbs are the usual low cost solution for troubleshooting of electronic equipment to provide current limiting. However, the resistance of their filament can vary by a factor of 10 from cold to hot - not good for our purposes. However, there is a nearly as readily available alternative:

    The elements from space heaters, electric dryers, and other heating appliances with exposed coils are ideal for the fabrication of home-brew but perfectly usable power resistors. These are made of NiChrome, an alloy of nickel and chromium which is resistant to oxidation even when yellow/orange-hot and its resistance is relatively stable with respect to temperature (which cannot be said for tungsten light bulbs).

    Even burnt out elements - readily available from your junk pile (or that of the local appliance repair shop) will be 99 percent undamaged. They are usually broken or melted through in one spot and what remains is ideal for creating custom and/or adjustable high power ballast, dropping, or sense resistors. Deterioration of the overall wire is generally minimal.

    The original mounting can be used or portions of the element(s) can be transferred to a suitable non-conductive and NON-FLAMMABLE support. Allowing the wire to come in contact with this material at as few locations as possible will minimize heat transfer and make the most effective use of air cooling.

    Taps can be provided for easy adjustment. Initially, these can make use of heavy duty crocodile clips later made permanent with nuts and bolts or crimp connections (soldering won't be reliable, surprise, surprise!).

    For current capability approaching the original application, paralleling multiple heating element wires will permit them to run cooler.

    Sealed heating elements of the types used in electric stove tops, ovens, broilers, electric hot water heaters, etc., may also be used but there is no way to adjust their value except by switching in various series and parallel combinations. However, this is convenient with dual-element stove top 'burners' with pushbutton selector switches (not thermostats or 'infinite' controls - your 1950s vintage GE range probably has what is needed!).

    CAUTION: Any element designed for direct immersion in water or another liquid may burn out even at far less than its rated current if run in air despite a cyclone of cooling!)

    Construction of HV High Current Blocking Diodes

    I don't know if you can find something like a 3 kV, 12 A diode at major electronic distributors. However, they can be constructed from multiple series strings of smaller diodes in parallel along with resistors to balance the current.

    For example, for a 10 A power supply, use 2 series strings of four 1000 V, 6 A diodes with a .05 ohm, 5 W resistor in each string as shown below:

    
             Anode  o----+----|>|--|>|--|>|--|>|---/\/\----+
                         |                                 |
                         +----|>|--|>|--|>|--|>|---/\/\----+----o Cathode
    
    
    The resistors can even be made from suitable lengths of wire. For example, #24 copper wire has a resistance of about .025 ohms per foot.

  • Back to Ar/Kr Ion Laser Power Supply Design Sub-Table of Contents.

    Special Parts 2 - Relay Drivers, Indicators

    Relay Drivers

    There are several types of relays that can be used:

    Driving Relays with AC Coils

    There are several options depending on how these are to be controlled:

    Driving Relays with DC Coils

    Small relays are designed to be connected directly to a TTL output. These will have 5 VDC coils rated at a current as low as 10 mA or less. Larger relays with 5 VDC coils may require as much as 100 mA or more so a beefier driver (beyond a TTL logic gate) may be needed for some of these. Relays with higher voltage DC coils can also be used. For a given type, coil current is inversely proportional to coil voltage. Therefore, using a relay with a higher voltage coil may be easier if a suitable power source is available.

    As always, when driving an DC inductive load, a back biased 'free wheeling' diode is placed across the coil to provide a path for the coil current to continue flowing (and ramp down to zero relatively slowly) when the driver switches off. This prevents any inductive voltage spike which would result in stress on the driver and/or logic circuits and may generate excessive electrical noise.

    The following are several alternatives for driving these relays (12 VDC, 10 mA coil assumed; typical contact configuration shown):

    
                            o--o NC                  o--o NC               o--o NC
                     C o--o/                  C o--o/               C o--o/
                            o--o NO                  o--o NO               o--o NO
               V+ o---+---+             V+ o---+---+          V+ o---+---+
                     _|_   )||                _|_   )||             _|_   )||
              1N4002 /_\   )||         1N4002 /_\   )||      1N4002 /_\   )||
                      |    )||                 |    )||              |    )||
           1/6 7406   +---+                    +---+                 +---+
              |\      |                        |                  D  |
     ON-H o---|  >o---+                R1    |/ C               .|---+
              |/             ON-H o---/\/\---| 2N2222          G||<--. 2N7000
                                       1K    |\ E     ON-H o----'|---+
     TTL Open Collector Driver                _|_                 S _|_
     (HV output if V+ > +5 VDC)                -                     -
                                     Bipolar Transistor            MOSFET
    
    
    Depending on specific coil voltage and current, devices other than those shown may have to be used as the drivers.

    Or, to control a low current DC relay on a separate power supply:

    
                                                          o--o NC
                                                   C o--o/
                                                          o--o NO
                                             V+ o----+---+
                                                    _|_   )||
                                             1N4002 /_\   )|| Relay coil
                          500                        |    )||
                 Vcc o----/\/\----+        +-----+---+---+
                                 1|        |     |5
                                __|__    |/ C    |
                                _\_/_ -> |       |
                                  |      |\ E    |
                         |\      2|        |   |/ C
                ON-H o---|  >o----+        +---|
                         |/                    |\ E
                                    4N33         |4
                              Opto-Darlington    +----o V-
    
    
    For the 4N33, the current transfer ratio is 500 percent so to drive a relay with a 20 mA coil requires a minimum of 4 mA through the LED. Add another buffer transistor to drive a higher current relay coil.

    115 VAC Indicators

    There are several places in an Ar/Kr ion laser power supply where status or warning lights are required and there are no convenient sources of low voltage for LEDs.

    In the good old days, everyone used neon indicators. The problem with neon indicators aside from the fact that they invariable start to flicker after a few years of constant operation (which really shouldn't be a problem here) is that you have any choice of color as long as it is orange. :-) However, these really are the cheapest and easiest solution for putting an indicator on a power line:

    
                                            IL1
                                    R1      +--+
               115 VAC or DC o-----/\/\-----|oo|-----o Return
                                   47K      +--+
                                            NE2H
    
    
    Neons come bare (you add resistor), as part of fancy (and expensive) indicator assemblies - and everything in between.

    To use an LED on a 115 VAC circuit, it is better to use a capacitor to limit the current than a resistor as power dissipation is greatly reduced. The following circuit will work with minor modifications in component values for most LEDs (4 or 5 mA assumed as drawn):

    
                             C1       R1          IL1
              115 VAC o------||------/\/\-----+---|>|---+------o AC Return
                            .2uF      3K      |   LED   |
                            250V              |   D1    |
                                              +---|<|---+
                                                1N4002   
    
    
    D1 bypasses reverse current and R1 is for surge limiting to prevent any possible harm to the poor little low voltage LED if you apply power when the AC input is near its peak.

    Using a small bridge rectifier (almost any voltage rating) would double the brightness for the same value of C1 (assuming the LED can handle the current) but this hardly seems worth the effort for a simple indicator!

    
                                               D1
                        C1          R1     +--------+       IL1
        115 VAC o-------||---------/\/\----|~      +|-------|>|----+
                    .1uF, 250 V     3K     | Little |       LED    |
                                           | Bridge |              |
      AC Return o--------------------------|~      -|--------------+
                                           +--------+
    
    
    Note: For both these circuits, a high value resistor - say 1 to 10 M ohm - is recommended across C1 or the input (not shown). This will quickly discharge C1 when power is removed. The energy C1 can hold isn't going to kill you, but all those little shocks can add up to a lot of @#$% words!

    Interlock and Protector Indicator

    Where a single indicator is adequate on circuit containing one or more series connected normally closed interlocks or protection devices, a simple lamp across the entire chain will suffice. However, were separate indication is desired, this will either not work at all or result in varying brightness levels depending on how many of the links in the chain are open. So, after your power supply is basically operational, consider spicing it up a bit with individual lamps for each possible fault condition - just like NASA!

    Even with several (e.g., up to 4) of these devices in series), enough current should flow with any combination of them open to light their respective LEDs at nearly the same brightness. However, maximum bypass current will well below the minimum needed to activate the controlled relay.

                                                                            +-+
    On the interlock wiring diagrams, this type of indicator is shown as: --|I|--
                                                                            +-+
    

    Visual Capacitor Bleeder Circuit

    Here is a suggested circuit which will discharge the high value main filter capacitors quickly and safely can be permanently substituted for the normal bleeder resistors. A visual indication of charge is provided from maximum input to a few volts. The dual polarity version of this circuit is described in the document: Capacitor Testing, Safe Discharging and Other Related Information and can be built into a handy capacitor discharge tool.
    
                   5K, 10 W      D1     D2     D3     D4
          + o-------/\/\----+----|>|----|>|----|>|----|>|----+------o -
                            |                                |
                            |        100          LED        |
                            +--------/\/\---------|>|--------+
    
    
    D1 to D4 can be any general purpose diodes (e.g., 1N4002s).

    For permanent installation, a yellow LED is probably best meaning: CAUTION.

    An alternative to this circuit which would have a quainter look is to use a 4 W night light bulb in series with a 1K, 2 W resistor (since the bulbs are designed for 115 VAC - not 150 VDC!



  • Back to Sam's Laser FAQ Table of Contents.
  • Back to Ar/Kr Ion Laser Power Supply Design Sub-Table of Contents.
  • Forward to Complete Ar/Kr Ion Laser Power Supply Schematics.


    Sam's Laser FAQ, Copyright © 1994-2022, Samuel M. Goldwasser, All Rights Reserved.
    I may be contacted via the
    Sci.Electronics.Repair FAQ Email Links Page.